海星体育
首页
新闻中心
业务领域
工程业绩
人才发展
联系我们
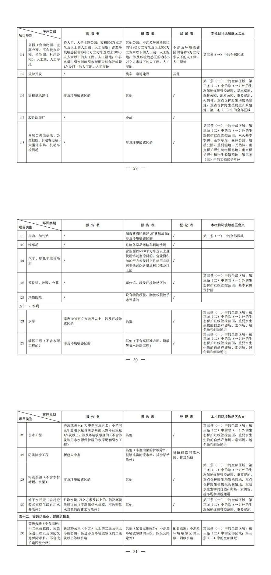
《建设项目环境影响评价分类管理名录(2021年版)》已于2020年11月5日由生态环境部部务会议审议通过,现予公布,自2021年1月1日起施行。
生态环境部部长 黄润秋
2020年11月30日